Wattstopper Wiring Diagram

27+ Wattstopper Wiring Diagram Pictures. The ip66 rating for this unit is based on proper installation as indicated above. Restore power from the circuit breaker.

23 Best Of Wattstopper Elcu-100 Wiring Diagram Images ...
23 Best Of Wattstopper Elcu-100 Wiring Diagram Images ... from wsmce.org
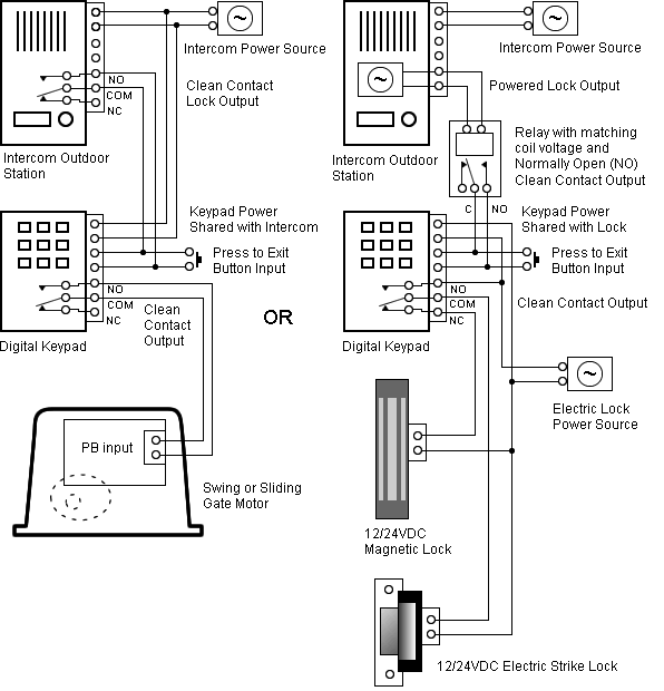
Wiring diagram a wiring diagram shows, as closely as possible, the actual location of all wiring diagram. A wiring diagram is the most common form of the electrical wiring diagram. Usually, the electrical wiring diagram of any hvac equipment can be acquired from the manufacturer of this equipment who provides the electrical wiring diagram in the user's manual (see fig.1).

On a wiring diagram, s110 with a .8 brn/blk means _.

All single coil and split coils: It shows the components of the circuit as simplified shapes. For special applications, the choice of. Usually, the electrical wiring diagram of any hvac equipment can be acquired from the manufacturer of this equipment who provides the electrical wiring diagram in the user's manual (see fig.1).


0 Response to "Wattstopper Wiring Diagram"

Post a Comment

Iklan Atas Artikel

Iklan Tengah Artikel 1

Iklan Tengah Artikel 2

Iklan Bawah Artikel