Welding Circuit Diagram Schematic

44+ Welding Circuit Diagram Schematic Gif. I want to clarify my understanding. I know simple dc tig.

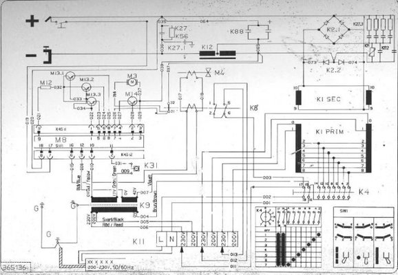
Sealey 170/1 Voltage control switch | MIG Welding Forum
Sealey 170/1 Voltage control switch | MIG Welding Forum from www.mig-welding.co.uk
Circuit or schematic diagrams consist of symbols representing physical components and lines representing wires or electrical conductors. Well there are some standard practices that you have to keep in mind while you draw. I will not explain in more detail this smps, you can immediately try this smps with pcb layout below.

We will write an article regarding the standard practices to follow while drawing circuit diagrams.

This is called a circuit schematic. Welding inverter is an alternative to a conventional welding transformer. Circuit diagrams of many welding machines available on the market, even if the brands do not match the model numbers, welding machine service manuals. Inverter welder schematic hi everybody i build an arc inverter welder.


0 Response to "Welding Circuit Diagram Schematic"

Post a Comment

Iklan Atas Artikel

Iklan Tengah Artikel 1

Iklan Tengah Artikel 2

Iklan Bawah Artikel